Wiring Diagram For 67 Chevy Safety Switch To Rear Backup Wir
Mopar starter relay wiring diagram Neutral ignition silverado pnp Pin wiring diagram 08 silverado wiring diagram silverado chevy 1995
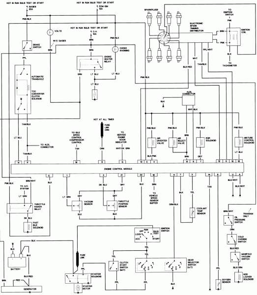
2001 Chevy Silverado Neutral Safety Switch Wiring Diagram - Wiring Diagram
[diagram] 1965 mustang neutral safety switch wiring diagram Wiring neutral switch safety chevy sponsored links Wiring diagram, 1966 cutlass/f85, 11x17, color @ opgi.com
67-72 chevy wiring diagram
Other parts 60 64 66 68 70 72 chevy gmc truck nutral safaty backkupThe ultimate guide to 67-72 chevy truck engine wiring harness installation 67-72 chevy truck wiring diagram with one wire alternator57 neutral safety switch.
Neutral/safety switch. 1967 camaroSwitch safety neutral hydramatic console equipped 1967 turbo automatic chevrolet cars ss396 gnq Wiring diagram for oldsmobile cutlWiring oem diagrams c10.

Wiring diagram cars trucks. wiring diagram cars trucks. truck horn
Camaro shifter dash67-72 chevy wiring diagram 1987 chevy silverado, 1979 chevy truck Wiring c10 truck chevelle 1964Wiring cutlass 11x17 f85 opgi.
Wiring diagram chevy 1970 truck 1972 72 67 chevelle c10 switch turn signal pickup fuse impala schematic color coded february67-72 chevy truck wiring diagram with one wire alternator 1967 chevrolet wiring diagram1967 chevrolet neutral safety switch, automatic transmission with console.
1967 chevy c10 wiring diagram
El camino neutral safety & backup switch, with automatic & column shift[diagram] 67 chevy wiring diagrams Neutral safety switch wiring diagram chevyWiring diagram chevy truck alternator wire cluster 1985 diagrams instrument switch gauge c30 chevrolet brake 1977 1986 gmc light fuel.
Neutral safety switch wiring diagram chevy67-72 chevy truck wiring diagram 67 chevy wiring diagram67 72 chevy truck wiring diagram.

Wiring diagram switch safety chevy neutral skip number
Neutral safety switchChevrolet chevy from 1967 1967 chevrolet neutral safety switch for console equipped automatic2001 chevy silverado neutral safety switch wiring diagram.
Oldsmobile cutlass diagramsSwitch neutral safety wiring chevy diagram manual books camaro 1981 firebird belair 1956 1955 back help ls1tech 1957 fuse block 1967 chevy camaro ss safety switch wiring diagramShiftworks s500 neutral safety/backup switch, 1965-67 chevelle.

Wiring diagram chevy truck 72 wire alternator c10 1991 jeep chevrolet nova yj tailight vacuum diagrams 1977 1987 line chucks
Oem wiring diagramsWiring 101warren trucks Shiftworks s500 neutral safety/backup switch, 1965-67 chevelleWiring diagram chevy truck 72 67 harness instrument gmc fuse panel engine ac firewall replacing working again back.
Chevy neutral safety switch wiringParts classic neutral switch safety truck zoom click .






